DRAGON

Купить с доставкой сплит-систему Denko KR

Выберите нужную модель
Denko рекомендует! Официальный партнер, интернет-магазин "Первый Климат"

Сплит-система
Denko KR

KR
0
р.
р.
Сплит-системы Denko серии Dragon - минималистичный, но в то же время элегантный дизайн внутреннего блока, эргономичный и удобный пульт ДУ и стильный внешний блок в комплекте создают идеальную, современную сплит-систему. Скрытый дисплей, зеленый фильтр высокой плотности, теплообменник Golden n, два направления воздушного потока, экономичный режим ECO, самоочистка - все эти функции присутствуют в кондиционерах серии KR. Данная модель соответствует наивысшему классу энергоэффективности по российской классификации - классу А. При разработке были внедрены новейшие технологии, направленные на сокращение потребления электроэнергии. Комплекс классических режимов присутствует в данной серии: обогрев, охлаждение, осушение и вентиляция.
Фреон R410A
Уровень шума от 20 дБа
Внутренний блок начинает работу в режиме охлаждения с малой скоростью вращения вентилятора. В этот период сконденсировавшаяся вода смывает пыль с ребер испарителя. После этого переходит в режим обогрева, с малой скоростью вращения вентилятора, и происходит осушка деталей внутреннего блока. Наконец, блок переключается в режим вентиляции и выдувает влажный воздух, это позволяет очистить внутренние детали блока и предотвратить размножение бактерий.
Самоочистка внутреннего блока
Золотое покрытие оребрения теплообменника- защита от коррозии. Специальное антикоррозийное покрытие теплообменника, защищающее от атмосферных явлений и воздействий агрессивной внешней среды.
Golden fin
В случае непредвиденного отключения кондиционера из-за сбоя питания после возобновления подачи электроэнергии он автоматически возвращается к предыдущим настройкам.
Автоматический перезапуск
При включенном режиме комфортного сна кондиционер автоматически увеличивает (в режиме охлаждения) или уменьшает (в режиме обогрева) температуру на 1 С в течение первых двух часов, затем поддерживает ее стабильной следующие 5 часов, после чего выключается. Функция обеспечивает энергосбережение и поддерживает комфортные условия для сна.
Режим комфортного сна
Сокращение до минимума габаритов изделия улучшает внешний вид и расширяет возможности установки.
Компактный дизайн
Автоматическое качание горизонтальных заслонок вверх/вниз распределяет холодный и теплый воздух по максимальной площади. Заслонки можно зафиксировать под любым углом.
Автоматическое качание заслонок
При помощи таймера время включения и выключения может быть установлено в 24-часовом интервале.
Таймер
При включении блока горизонтальные жалюзи автоматически перемещаются в то же положение, в котором они находились.
Запоминание положения жалюзи
Все технологии и особенности
Компрессор GMCC Tochiba
ON/OFF
Класс энергоэффективности А
KR
Эта крышка защищает патрубки от ударов во время транспортировки. Кроме того, она также предотвращает стекание конденсата из патрубков.
Защитная крышка патрубков
В этом режиме кондиционер до максимума увеличивает
производительность обогрева или охлаждения,, и быстро нагревает или охлаждает помещение, обеспечивая достижение желаемой температуры в кратчайшее время.
Режим Turbo производительности
Зеленый фильтр высокой плотности
Схема подключения внутреннего блока Dahatsu DHP/DHV
Технические характеристики
Внутренний блок
Внешний блок

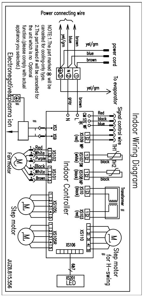
Схема подключения KR-07/09/12/18/24i

Схема подключения внутреннего блока Dahatsu DHP/DHV
Схема подключения внешнего блока Dahatsu DHP/DHV
Внутренний блок
Внешний блок
Между блоками
Схема подключения внешнего блока Dahatsu DHP/DHV

Схема подключения KR-36i

Схема подключения внутреннего блока Dahatsu DHP/DHV
Схема подключения внешнего блока Dahatsu DHP/DHV
Внутренний блок
Внешний блок
Между блоками
Схема подключения внешнего блока Dahatsu DHP/DHV