SAMURAI DC INVERTER

Купить с доставкой сплит-систему Denko QW-i

Выберите нужную модель
Denko рекомендует! Официальный партнер, интернет-магазин "Первый Климат"

Сплит-система
Denko QW-i

QW-i
0
р.
р.
Сплит-системы Denko серии Samurai сочетающие в себе самые современные технологии: инвертор, высочайший класс энергоэффективности, озонобезопасный хладагент R410A, всевозможные новейшие функции. Серия Samurai Inverter - высокотехнологичный кондиционер, с инверторными технологиями, который обеспечивает быстрый выход на заданный режим, низкое электропотребление и отсутствие пусковых токов. В кондиционере предусмотрены такие функции, как: AUH - включение/выключение дополнительного нагрева в режиме heat, таймер 24 часа, турбо режим и тихий режим, крышка для клапанов на внешнего блока, обнаружение утечки хладагента, автоповорот и качание жалюзи, выключение дисплея и прочие современные функции
Фреон R410A
Уровень шума от 20 дБа
Внутренний блок начинает работу в режиме охлаждения с малой скоростью вращения вентилятора. В этот период сконденсировавшаяся вода смывает пыль с ребер испарителя. После этого переходит в режим обогрева, с малой скоростью вращения вентилятора, и происходит осушка деталей внутреннего блока. Наконец, блок переключается в режим вентиляции и выдувает влажный воздух, это позволяет очистить внутренние детали блока и предотвратить размножение бактерий.
Самоочистка внутреннего блока
В случае непредвиденного отключения кондиционера из-за сбоя питания после возобновления подачи электроэнергии он автоматически возвращается к предыдущим настройкам.
Автоматический перезапуск
При включенном режиме комфортного сна кондиционер автоматически увеличивает (в режиме охлаждения) или уменьшает (в режиме обогрева) температуру на 1 С в течение первых двух часов, затем поддерживает ее стабильной следующие 5 часов, после чего выключается. Функция обеспечивает энергосбережение и поддерживает комфортные условия для сна.
Режим комфортного сна
Сокращение до минимума габаритов изделия улучшает внешний вид и расширяет возможности установки.
Компактный дизайн
Автоматическое качание горизонтальных заслонок вверх/вниз распределяет холодный и теплый воздух по максимальной площади. Заслонки можно зафиксировать под любым углом.
Автоматическое качание заслонок
При помощи таймера время включения и выключения может быть установлено в 24-часовом интервале.
Таймер
Зеленый фильтр высокой плотности
Все технологии и особенности
Компрессор GMCC Tochiba
DC INVERTER
Класс энергоэффективности А
QW-i
В этом режиме кондиционер до максимума увеличивает
производительность обогрева или охлаждения,, и быстро нагревает или охлаждает помещение, обеспечивая достижение желаемой температуры в кратчайшее время.
Режим Turbo производительности
Схема подключения внутреннего блока Dahatsu DHP/DHV
Технические характеристики
Внутренний блок
Внешний блок

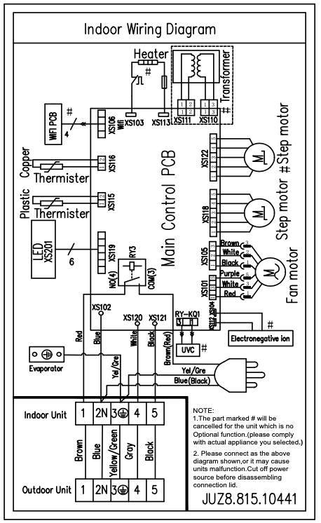
Схема подключения QW-07/09/12i

Схема подключения внутреннего блока Dahatsu DHP/DHV
Схема подключения внешнего блока Dahatsu DHP/DHV
Внутренний блок
Внешний блок
Между блоками
Схема подключения внешнего блока Dahatsu DHP/DHV